Inicio Productos Productos Hotowell Bacnet Digital Lcd Pantalla táctil Controlador de temperatura FCU Termostato modulador
Bacnet Digital Lcd Pantalla táctil Controlador de temperatura FCU Termostato modulador
Bacnet Digital Lcd Pantalla táctil Controlador de temperatura FCU Termostato modulador Bacnet Digital Lcd Pantalla táctil Controlador de temperatura FCU Termostato modulador Bacnet Digital Lcd Pantalla táctil Controlador de temperatura FCU Termostato modulador Bacnet Digital Lcd Pantalla táctil Controlador de temperatura FCU Termostato modulador Bacnet Digital Lcd Pantalla táctil Controlador de temperatura FCU Termostato modulador

Bacnet Digital Lcd Pantalla táctil Controlador de temperatura FCU Termostato modulador

Identificación del producto : HTW-31-F10-B
Etiquetas del producto :
Atributos del producto :

Este termostato digital HTW-31-F10BNT está diseñado para controlar los ventiladores, válvulas, amortiguadores o calentadores eléctricos en unidades de fan coil y aplicaciones de calefacción en entornos industriales, comerciales o residenciales.

Descripción del producto

R4-Hotowell Bacnet FCU Thermostat HTW-31-F10B Series.pdf

>> Resumen                                   

Este termostato digital HTW-31-F10BNT está diseñado para controlar los ventiladores, válvulas, amortiguadores o calentadores eléctricos en unidades de fan coil y aplicaciones de calefacción en entornos industriales, comerciales o residenciales.

Bacnet-Thermostat-HTW-31-F10.jpg

>> Caracteristicas                               

• Atractivo estilo moderno.

• Control de modo de calefacción / refrigeración / ventilación ajustable

• Ajustable manual de 3 velocidades y control automático de velocidad del ventilador.

• sistema 4pipe

• Bacnet

• Tarjeta de acceso (opcional)

• Sensor externo (opcional)

>> Specification                                     

Power Supply           - 230V 50/60Hz

Backlight     -      White

Power Consumption - 1.5A

Sensor       -      NTC 10K, 3950ohms at 25

Set Point Range      -    5~80

Accuracy   -      + 1℃ (step control by +0.5)

Ambient                    -    0~50

Protection Class - IP30

Relative Humidity     - 85%

Housing   - ABS to UL94-5 fire retardantplastic


>> Pantalla Y Teclas                               

31-F10B display.jpg

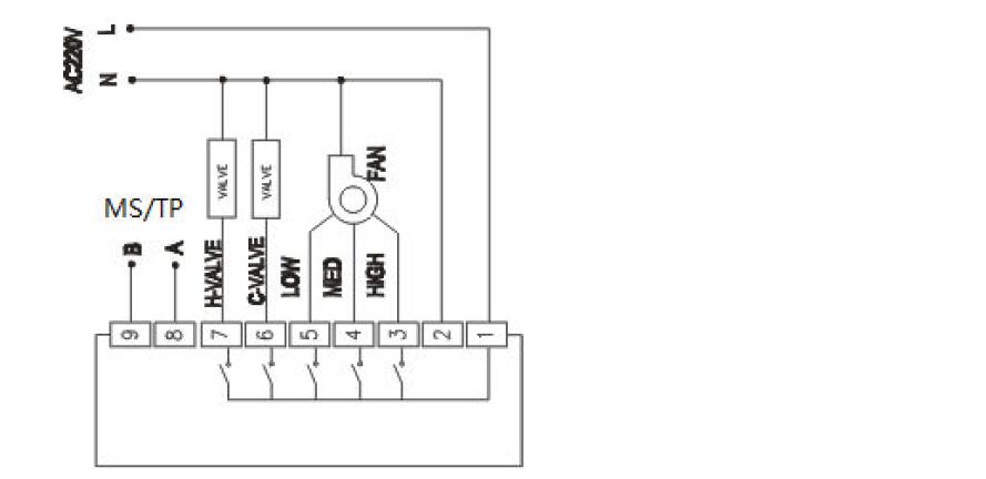
 >> Diagrama de cableado                        

31-10B wiring diagram.jpg

 >> Dimensiones                                            

31-F10B dimensions.jpg

FAQ.jpg

Hotowell-manufacutring-capacity.jpg


FAQ1.jpg

Other similar Products:

image.png     image.png       


Consulta en línea