Este termostato digital HTW-31-F10BNT está diseñado para controlar los ventiladores, válvulas, amortiguadores o calentadores eléctricos en unidades de fan coil y aplicaciones de calefacción en entornos industriales, comerciales o residenciales.

Hotowell Bacnet FCU Thermostat HTW-31-F10B Series.pdf
>> Resumen
Este termostato digital HTW-31-F10BNT está diseñado para controlar los ventiladores, válvulas, amortiguadores o calentadores eléctricos en unidades de fan coil y aplicaciones de calefacción en entornos industriales, comerciales o residenciales.

>> Caracteristicas
• Atractivo estilo moderno.
• Control de modo de calefacción / refrigeración / ventilación ajustable
• Ajustable manual de 3 velocidades y control automático de velocidad del ventilador.
• sistema 4pipe
• Bacnet
• Tarjeta de acceso (opcional)
• Sensor externo (opcional)
>> Specification
Power Supply - 230V 50/60Hz | Backlight - White |
Power Consumption - 1.5A | Sensor - NTC 10K, 3950ohms at 25℃ |
Set Point Range - 5~80℃ | Accuracy - + 1℃ (step control by +0.5℃) |
Ambient - 0~50℃ | Protection Class - IP30 |
Relative Humidity - 85% | Housing - ABS to UL94-5 fire retardantplastic |
>> Pantalla Y Teclas

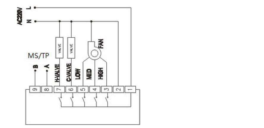
>> Diagrama de cableado

>> Dimensiones




Otros productos similares: