HTW-31-F13 is widely used in these environment like Homes, Residential buildings, Schools, Hotels, Hospitals, Offices and etc, to main an ideal room temperature purpose.
Product Description
Hotowell White F13 LCD 3 Speed Fan Coil 2/4 Pipe Programmable Button Thermostat
HTW-31-F13 is widely used in these environment like Homes, Residential buildings, Schools, Hotels, Hospitals, Offices and etc, to main an ideal room temperature purpose.

>> Technical Parameter

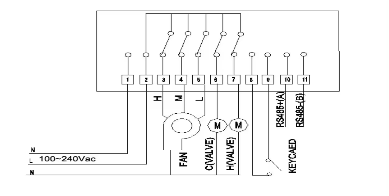
>>Typical wiring disgram

Details


Packing & Delivery

FAQ
