Home Products Hotowell Products Hotel Air Conditioner Energy Saver For HVAC System
Hotel Air Conditioner Energy Saver For HVAC System
Hotel Air Conditioner Energy Saver For HVAC System Hotel Air Conditioner Energy Saver For HVAC System Hotel Air Conditioner Energy Saver For HVAC System Hotel Air Conditioner Energy Saver For HVAC System Hotel Air Conditioner Energy Saver For HVAC System

Hotel Air Conditioner Energy Saver For HVAC System

Product ID : HTW-61-ES6201
Product Attributes :

HTW-61-ES6201 is designed to control electrical consumption by detecting occupied/unoccupied presence, in order to connect/disconnect the air conditioning equipment and lighting automatically when the customer accesses or leaves the room.

Product Description
Hotel Air Conditioner Energy Saver For HVAC System
Product Description

>> General                                       

 

 

HTW-61-ES6201 is designed to control electrical consumption by detecting occupied/unoccupied presence, in order to connect/disconnect the air conditioning equipment and lighting automatically when the customer accesses or leaves the room.

 

 

>> Specification                         

Power supply
100~250Vac, 50/60Hz
Power Consumption
5W
Dimensiones
115x90x40mm
Temperature Range
5-45ºC
Protection Class
IP20

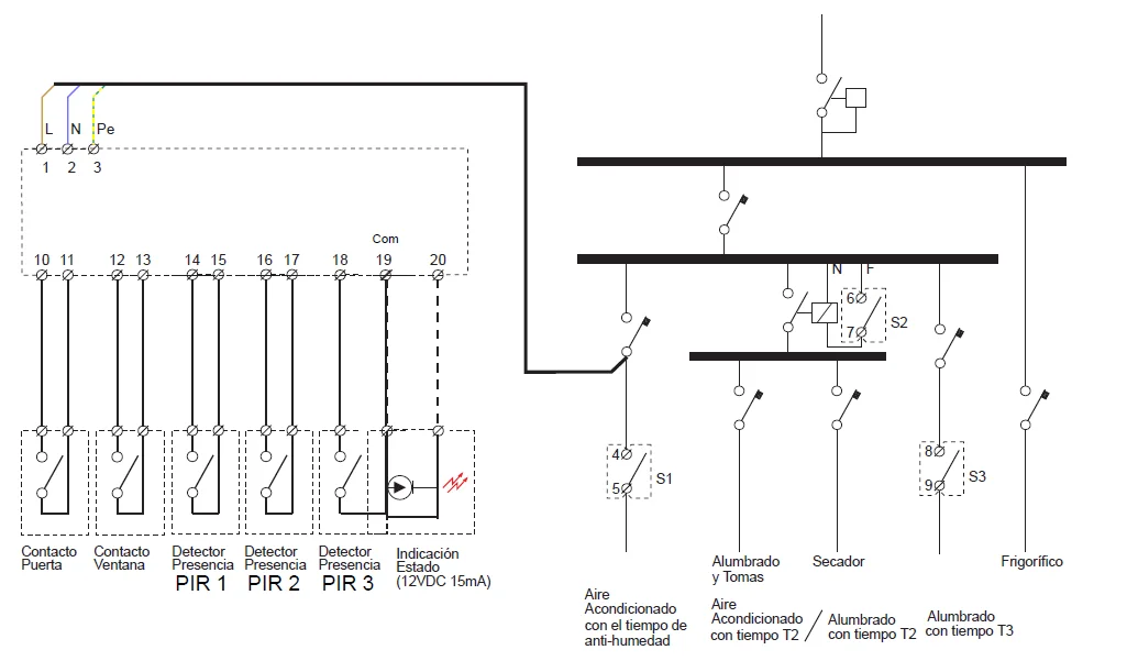
>>Typical Wiring Diagram                    

Dimensions
Packing & Shipping
Shipping Method

We usually ship by

1.Sea shipping :25-30 days 

2. Air shipping :5-7 days

3. Express delivery(DHL, UPS, FedEx, TNT etc.):4-7days 

Certifications
Factory Show
FAQ
Online Inquiry